PLAGATE System 混合型喷嘴
树脂混合配件
混炼末梢
混炼末梢的特长
POINT 1 | POINT 2 |
POINT 3 | POINT 4 |
POINT 5 | POINT 6 |
1.防止成型品色斑
螺旋形状的流路是根据流体工程学设计的流道,通过反复分散/合流,色母粒和纤维的混匀及分散性都很好
|
|
Before | After |
2.防止流涎
内置末梢有抑制成形机气缸内压的效果,减少树脂的流涎
3.不需要混匀用的背压
因为不需要混匀用的背压,所以不会有聚合物分子的变质和破损。
4.防止异物混入
即使有无磁性的金属或异物(铝、铜、黄铜、石…)混入,内置末梢的过滤效果也能防止异物混入到产品上。另外,热流道安装在模具上时,如需去除异物,也不需要将热流道分解开进行清扫作业。
5.无滞留场所的构造
流线型的流路,无树脂滞留,防止烧焦
6.维护保养性强
不需要特殊工具,维护保养简单
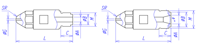
Assembly Processing Figure 组立加工图



